
Sunbeam Heavy Duty Leaf Spring Plate
Looking at the hacked up leaf spring plates (the plate that holds the leaf to the axle) I determined that I would not be able to redrill for the new rear axle since it was a 3" tube and used 1/2" U-Bolts. The patterns below will work for any axle that has 3" tube and 2.25" wide leaf springs. If you want to make it for the stock Dana 44 Tiger rear end it's pretty easy to modify just shoot me a note and on a good day I might just do it up for your, otherwise you will need to tweak the CAD a bit for stock axle fitment.
In thinking about all the fun I have while tying the car down around the axle I thought of some of the Mustang Leaf spring plates I have used in the past where you can run a strap through the plate for easy tow. Well I didn't like the strap part since I use hooks so I came up with a different system as seen below. This is nice as it will allow the typical trailer tie down strap hook to just slip in and lock down. Since I made this plate out of all 3/8" 1018 steel plate it would be way stronger then needed so I lightened it up with some space age looking holes.
For the mounting tabs for the sway bar and shock I didn't exactly know what I was going to need so I made a few styles. The V1.00 had some that had the holes offset towards the top, but I later though it was a bad idea for strength reasons and redid them as well as created a new one for the shock mount after what I had made (in the pics).
As usual I just sorta' winged it. Came out pretty good for V1.00. But at some point I noticed that the angle of the stock shock absorber mounting on the Tiger does not come straight down and as such presented a problem with the angle that it bolted up to the bracket. It required the shock bracket to be twisted 90 degrees to make it all work. A but more welding and filler to plug the holes but all seems to work out OK. The other area that may have a clearance issue is the sway bar mount. It may be a tick close to the axle. I have mocked it up and looks OK, but will have to fully test when all assembled.
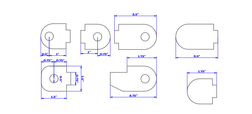
CAD work was done on Q-CAD pro a low cost program, free version would likely work just fine as well. All parts are made for 3/8" steel. If this changes you should change the slot size as well as the depth of the tabs on all parts.
I sent the project files (.DXF) to the BIG BLUE SAW company and these guys turned them around in 5 days plus shipping. Very good price on water jet cutting, online estimation of costs, etc.
This process can be used to make custom leaf spring mounting plates for any car or truck. Just get one of the FREE CAD programs and draw it up then send it to the BIG BLUE SAW and wait a couple of days for your parts.
The first 2 images below are the V2.00 of the Tow Hook Leaf Spring Mounting Plate



V1.00 Tiger Leaf Spring Mounting Plate
The pic right above is the V1.00 patterns that I had The Big Blue Saw Cut. I crammed as much as I could in on the single plate since I only needed one set made and price was not much different so I kept adding small parts to the mix. You can see the directions of the slots for the shock and sway bar bracket on this version both at 90 degrees to the axle. On V2.00 the shock monunt was changed to rotate it 90 degrees.
Leaf Spring Mounting Plate Parts
These are the parts fresh from the water jet cutter. Again note direction of the slots for the brackets (edge of plate)
Mock up of Leaf Spring Mounting Plate
After realizing how the shock angle from the top of the chassis came out it became clear that I needed to flip around the shock bracket to avoid a binding issue that could happen. I could have used some offset to move the rod end away from the bracket, but easier to just make it right.
Welding up Shock Mounting Bracket
Welding up the brackets first so brackets were easily accessed. Note that the bolt has a washer on both sides to keep any weld spatter from messing with the nice surface. I welded up and filled the open area as best I could and it came out OK. The belt sander did work overtime on these bracket to get things smooth and flat after welding. I used the longer of the mounting tabs as the new shock mount. It requred a bit of notching to make fit so welding could be strong.
Corky the Welder on the Millermatic again...
All the parts are welded. I got off line a bit on the back side of the bracket. Welding 3/8" plate puts down a lot of weld in the seam and one (or two) wrong moves leave a big old ugly... Black paint will hide it, yeah, that's it.
Welded and Painted Leaf Spring Plate
After some good amount of cleanup on the belt sander, a coat of primer and some texture black cleans things up. Don't worry the U-Bolts are long as the lower block is not installed yet, as well as some cutting may be in order.
Front View of the Leaf Spring Plate
Just another view of the plate mounted. You can just catch a view of the bottom of the QA1 shock mounted to it.

QA1 Shock Mounted and Looking Good!
The change in the shock mount was good. The major direction of movement for the shock will not have any binding issues at all.
You can see the plate that I had someone make for me, it was a waste of money since it was not cut square and looked like his CNC plasma cut was a ruler and non-square angle. Ready for the scrap heap.
Last note is a good tip to keep things from getting banged up while mocking the assembly is cling wrap! A good couple of wraps and it gets a nice layer of protection. Likely still needs some blue tape...
Conclusion
Good project that came out pretty nice looking with only some minor revisions needed. It's important to mock up some cardboard and see if all the parts will fit as expected. If I had done that I would have had the V2.00 really be V1.00. The V2.00 has these incorporated and if anyone needs the CAD just give me a holler, and this project is not really limited to use on the Sunbeam Tiger.